


| Product name | UB75 | UB95 | UB100 | UB125 | UB150 | UB175 | UB200 | UB225 | UB250 | UB300 | |
|---|---|---|---|---|---|---|---|---|---|---|---|
| TD1 | Nm | 588 | 1,130 | 1420 | 2,750 | 4,710 | 6,720 | 11,200 | 14,700 | 20,700 | 29,100 |
| TD2 | Nm | 392 | 637 | 882 | 1,470 | 2,890 | 4,020 | 5,880 | 7,550 | 10,700 | 15,800 |
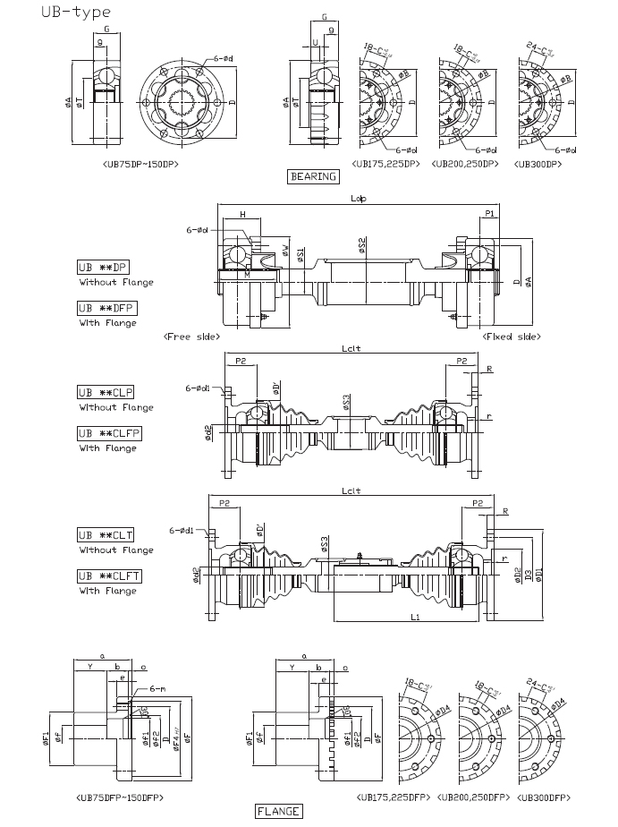
| Bearing | A | 80 ![]() |
95 ![]() |
- | 125 ![]() |
146 ![]() |
165.1 ![]() |
190 ![]() |
212 ![]() |
230 ![]() |
266.7 ![]() |
| B | - | - | - | - | - | 158.5 | 180 | 203 | 220.4 | 254 | |
| C | - | - | - | - | - | 42.4 | 16.25 | 54.7 | 19.3 | 50.6 | |
| No. of teeth |
- | - | - | - | - | 18 | 18 | 18 | 18 | 24 | |
| U | - | - | - | - | - | 18 | 18 | 18 | 18 | 20 | |
| D (pcd) | 66 ±0.15 | 80 ±0.15 | 106 ±0.15 | 124 ±0.15 | 139.7 ±0.2 | 159 ±0.3 | 180 ±0.3 | 197 ±0.5 | 225.4 ±0.5 | ||
| d | 8.5 | 8.5 | - | 10.5 | 12.5 | 15 | 13.5 | 13.5 | 17.5 | 17.5 | |
| G | 24.4 | 31.8 | - | 40.6 | 48.2 | 50.8 | 60 | 65 | 75 | 84 | |
| g | 12.2 | 15.9 | - | 20.3 | 24.1 | 24.5 | 30 | 32.5 | 37.5 | 42 | |
| T | 45 | 60 | - | 76 | 92 | 108 | 126 | 143 | 156 | 175 | |
| DP / DFP series |
W | 85 | 100 | - | 130 | 151 | 170 | 196 | 218 | 238 | 273 |
| S1 | 22.33 | 26.36 | - | 36.33 | 45.6 | 51.6 | 59.5 | 65.4 | 74.25 | 83.4 | |
| S2 | 48.6 | 48.6 | - | 60.5 | 76.3 | 89.1 | 101.6 | 101.6 | 139.8 | 139.8 | |
| H | 34.9 | 41.3 | - | 51.6 | 62 | 61.6 | 73.8 | 76.2 | 86.8 | 96.8 | |
| P1 | 16 | 21 | - | 29 | 28 | 38 | 40 | 48 | 53 | 65 | |
| M | 60 | 70 | - | 80 | 135 | 135 | 135 | 160 | 160 | 165 | |
| β° | 14 | 14 | - | 16 | 16 | 16 | 16 | 16 | 18 | 18 | |
| La (stroke) | ±12 | ±16 | - | ±20 | ±24 | ±27 | ±29 | ±29 | ±30 | ±35 | |
| Ldp (min.) | 505 | 505 | - | 605 | 705 | 805 | 805 | 805 | 805 | 805 | |
| CLP / CLFP CLT / CLFT series |
D1 | 118 | 136 | 154 | 179 | 192 | 215 | 250 | 265 | - | - |
| D´ | 81 | 108 | 112 | 148 | 165 | 172 | 199 | 222 | - | - | |
| D2 | 62 ![]() |
70 ![]() |
80 ![]() |
102 ![]() |
110 ![]() |
125 ![]() |
140 ![]() |
155 ![]() |
- | - | |
| r | 3 | 3 | 3 | 3.5 | 3.5 | 5 | 5 | 5 | - | - | |
| R | 8 | 10 | 10 | 10 | 12 | 15 | 16 | 18 | - | - | |
| D3 | 97 | 110 | 125 | 150 | 165 | 185 | 215 | 228 | - | - | |
| d1 | 10.5 | 12.5 | 14.5 | 14.5 | 14.5 | 17 | 19 | 21 | - | - | |
| d2 | 22 | 27.5 | 29.75 | 36.75 | 46 | 52 | 60 | 66 | - | - | |
| S3 | 48.6 | 48.6 | 60.5 | 60.5 | 89.1 | 101.6 | 101.6 | 139.8 | - | - | |
| P2 | 40 | 46 | 47 | 55 | 76 | 83 | 95 | 105 | - | - | |
| β° | 25 | 25 | 25 | 25 | 25 | 25 | 25 | 25 | - | - | |
| La (stroke) | ±10 | ±10 | ±10 | ±10 | ±15 | ±15 | ±15 | ±15 | - | - | |
| Lclp (min.) | 545 | 550 | 550 | 655 | 785 | 885 | 905 | 905 | - | - | |
| L1 | 270 | 310 | 320 | 340 | 450 | 520 | 520 | 590 | - | - | |
| La (stroke) | +80,-6 | +80,-6 | +90,-8 | +90,-8 | +120,-15 | +150,-15 | +150,-15 | +150,-15 | - | - | |
| Lclt (min.) | 455 | 515 | 580 | 610 | 830 | 910 | 950 | 1050 | - | - | |
| DP series Flange (DFP) |
a | 91 | 133 | - | 155 | 178 | 192 | 215 | 227 | 240 | 262 |
| b (fixed) | 12 | 16 | - | 20 | 24 | 34 | 35 | 35 | 38 | 45 | |
| b (free) | 24 | 32 | - | 40 | 48 | 54 | 55 | 55 | 58 | 70 | |
| Y (fixed) | 74 | 112 | - | 130 | 148 | 150 | 170 | 180 | 190 | 205 | |
| Y (free) | 62 | 96 | 110 | 124 | 130 | 150 | 160 | 170 | 180 | ||
| o | 5 | 5 | - | 5 | 5 | 8 | 10 | 12 | 12 | 12 | |
| e | 12 | 12 | - | 15 | 18 | 26 | 28 | 30 | 34 | 38 | |
| F | 85 | 100 | - | 130 | 152 | 175 | 200 | 220 | 245 | 275 | |
| F1 | 55 | 65 | - | 90 | 105 | 120 | 140 | 160 | 180 | 205 | |
| F2 | 80 | 95 | - | 125 | 146 | 159 | 181 | 204 | 222 | 256 | |
| f2 | 50 | 63 | - | 80 | 96 | 110 | 130 | 150 | 160 | 180 | |
| f1 | 45 | 55 | - | 75 | 85 | 95 | 110 | 130 | 138 | 155 | |
| f (max.) | 35 | 42 | - | 60 | 70 | 80 | 92 | 105 | 120 | 135 | |
| m | M8 | M8 | - | M10 | M12 | M14 | M12 | M12 | M16 | M16 | |
| Bolt length | 55 | 60 | - | 75 | 90 | 100 | 110 | 120 | 130 | 150 | |
| How to Order :